今天有无锡日环传感科技有限公司为大家介绍RH系列防水型光电。
空间小难安装?
防水差易损坏?
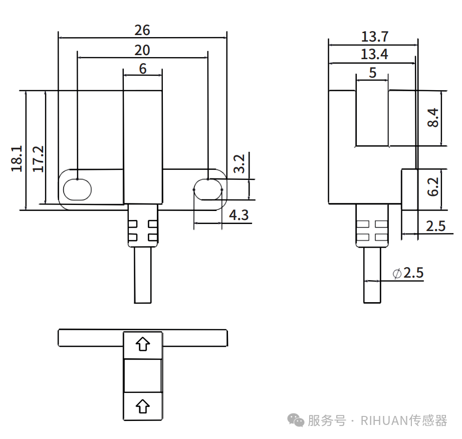
日环传感 RIHUAN RH系列防水型槽型光电
多种类安装方式
为您K.O重重难题



槽型光电开关主要用于在自动检测、自动控制、自动计数等自动化设备与装备上。如:
· 安装在贴片机自动流水线;
· PCB回流焊;
· 检测PCB板的计数;
· 输送以及设备的自动控制;
......


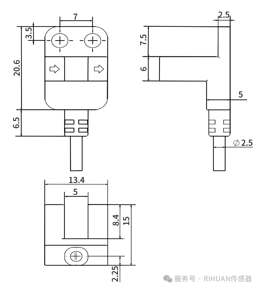
一体成型设计
无缝隙一体式外壳能够阻挡灰尘入侵,保护电子元器件,使用寿命长。

防水等级IP67
防水等级达IP67,防尘防水;抗冲击,有效抵御恶劣环境。

尾部防折弯
尾部防折弯结构,又能抵御拉扯碰撞减故障,耐用性拉满

产品规格多
多种型号,选型无压力



电路图

RHK:

RHL:

RHT:

RHY:
