今日は無錫日環センサー科技有限公司があります。RHシリーズの防水型光電をご紹介します。
スペースが狭くて設置が難しいですか?
防水が悪くて壊れやすいですか?
日環センシングRIHUAN RHシリーズ防水型槽型光電
多種類の取り付け方法
K.O .お困りです

槽型光電スイッチは主に自働検出、自働制御、自働計数などの自働化設備と装備に使われます。例:そうです。
●パッチ机で自働的にラインをつけます;
PCBリフロー溶接;
PCB板のカウントを検出します;
・輸送及び設備の自働制御です;
......

一体成型設計です
一体型ハウジングはホコリの侵入を防ぎ、電子部品を保護し、長寿命です。

防水等級IP67です
防水等級はIP67、防塵防水です。衝撃に強く、厳しい環境にも効果的です。

尾の部分が曲がるのを防ぎます
尾部の防折曲構造、また引っ張ることができて沖突を防いで故障を減らして、耐久性がいっぱい引きます

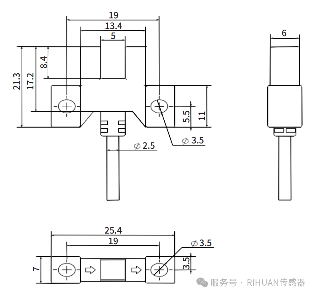
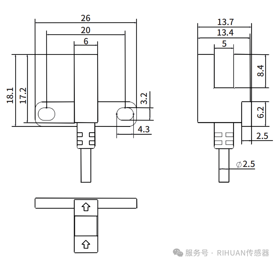
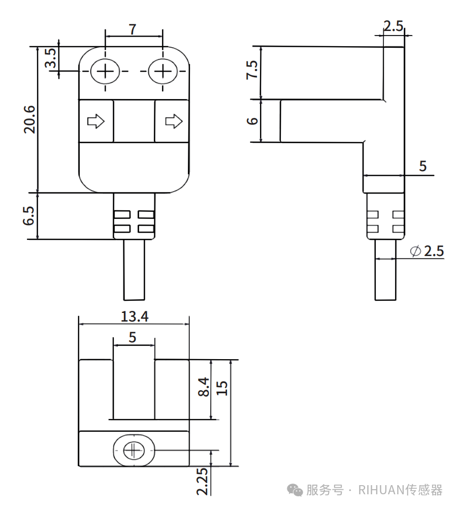
製品の仕様が多いです
多種の型番、選型は圧力がありません


回路図

RHKです:

RHLです:

RHTです:

RHY:そうです:
